1525-2301002 Піввісь ліва(вир-во Беларусь,)
- Производитель
-
МТЗ
(Беларусь)
- Каталожный номер
- 1402
- Схемы
- смотреть →
Аналоги "1402 МТЗ":
7 420
грн
завтра
- Артикул:
- 1525-2301002
- S.I.L.A.
-
Украина
12 495
грн
срок 3 дн.
- Артикул:
- 1525-2301002
- МТЗ
-
Беларусь
Применяемость по схемам
|
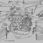
Установка дизеля » Двигатель
|
|
|
|
Оперение. Крылья задние. Подножка » Кабина
|
|