1522-4605230-01 Тяга навіски нижня ліва -1523,2022 (вир-во Беларусь,)
Товара нет в наличии.
- Производитель
-
МТЗ
(Беларусь)
- Каталожный номер
- 2816
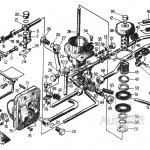
- Схемы
- смотреть →